★逆变焊接电源IP-1300A 产品特点
√一体式的设计,方便日常管理和使用。
√具备63种焊接规范的设
√高亮的LCD屏显示,美观易懂。
√采用四键
设置规范参数,极易上手操作。√实时监测焊接电流值。
√对输出电流采用上下限设置,电流异常报警功能,确保了焊接品质。
√焊接电流精准控制,适用于细小产品的焊接。
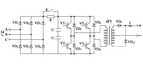
逆变原理图:


★逆变焊接电源IP-1300A产品优势
√直流方波输出,可设置电流缓升缓降,波形平整,逆变频率2K-8K可以根据客户需求定制,无交流过零点电流不连续的缺陷,热量集中,提高了焊接热效应。
√由32位单片机控制,具有初级定电流,次级定电流,定电压,定功率,定脉宽占空比,同时对电流,电压,功率,电阻,占空比进行监控。
√采用目前主流的桥式逆变技术,稳定节能可靠。
√具有电流异常,监控值超限,过热等报警,并且通过I/O输出,提高焊接品质。
√硬件自我保护功率,本公司所设计的产品,均采用厚膜保护,外部异常情况下,智能切换IGBT模块的驱动信号,增强系统保护功率。
√多段多次加热设定,电流缓升缓降功能,中间冷却功能,多段重复功率,适合复杂焊接过程,复杂功率的需求。
√63组参数存储,方便多种焊接品种的使用
√强大的外部通讯功能:外部PLC可以通过8421码调用任何一组程序, 具有焊接结束,故障,计数,良品与不良品判断,RS232数据通讯接口,适合自动化焊接。
√强大的数据处理功能,采用目前市场最快的32位ARM芯片,外加逻辑处理器控制,比同行业用的PIC芯片快至少200倍。
√响应速度快,采用了1K,4K,8KHZ的逆变频率,有交流和储能焊机从原理上难以超越的优势。
焊接实例:




逆变焊接电源IP-2500A功率参数:
| 型号 | 输入电压 | 额定功率 | 最大输出电流 | 控制模式 | 负载持续率 | 逆变频率 |
| IP-1300A | 交流220V | 1.4KVA | 1300A | 定电流/定电压/定功率 | 3% | 1k-8k根据客户要求 |
| 焊接循环时段 | 焊接脉冲数 | 电流缓升缓降 | 存储焊接规范数 | 外形尺寸(mm) | 重量 | |
| 20 | 2 | 有 | 63 | 142*480*269 | 10KG |
苏州威尔达焊接设备有限公司其他产品型号:
IP逆变焊接电源系列:IP-1300A,IP-2500A,IP-4000C,IP-5000A
PIW逆变焊接电源系列:PIW-5030B,PIW-5031B,PIW-5032B,PIW-5033B
晶体管焊接电源系列:PDA-1500A,PDB-1500A,PDC-1500A,PDA-3000A,PDB-3000A,PDC-3000A
PDA-6000A,PDB-5000A,PDC-5000A,PDA-10000A
焊接电流监测仪:MM-122A,PC-120A
焊接压力测试仪:PFDC-100A
电池点焊机系列:PB-CZ40-001 ,PB-SP40-001,WTA-4000B,WTA-8000B
马达点焊机系列:PDAML-507-J
电感点焊机系列:PB-DG40-003
免费工艺服务:
1.我们提供免费为客户工艺服务,包括样品测试。具体请与您最近的销售代表处联系或与上海总部联系。
2.我们将根据工艺结果,免费为客户提供整套针对性的焊接方案。
售后服务:
国内免费送货、安装及调试,提供免费设备操作培训
一年免费设备维护,全国联保,终身提供维护服务
免费年检和工程师上门检查服务,客户响应时间在24小时之内。
苏州威尔达焊接设备有限公司为国内外客户提供一整套的产品焊接解决方案及相关配套设备,主要产品包括:各类精密电阻焊接电源变频直流式转子点焊机,晶体管式组电池自动焊接机,各类汽车零部件生产流水线的焊接方案及成套设备,各类焊接监测仪等。公司产品涉及电机制造,新能源电池(PACK),光通信,汽车零部件,继电器,电光源等多种行业。
PUNBONN企业研发实力雄厚,自主研发多项焊接相关的世界领先的核心技术产品,是优秀的电池、马达转子焊接设备及配套设备的供应商和服务商,现有上海、深圳、天津、金华(永康)、苏州、南通等销售服务网点,焊接相关设备的年生产能力达到2000套以上,随着市场业务的不断拓展,公司会陆续在其它客户集中区域增办服务网点,为我们的客户提供更完善的服务。
公司秉承以产品质量为企业的生存基础,以完善的售后服务为企业发展的根本原则,满足客户需求持续打造企业在焊接行业的核心竞争力,企业以每年不少于销售额的10%投入研发,提高产品的技术品质,更好的服务于我们的用户,在多个产品焊接行业迅速崛起,深受广大用户的肯定和赞扬,在客户中有着极佳的口碑和信誉。
联系人:赵工
苏州威尔达焊接设备有限公司
联系电话:13915583428 手机:18606218431
传真号码:0512-67591273
邮箱:szweierda@163.com
地址:苏州市相成区澄阳路586号脱颖科技园206-208







